+420 777 424 229
info@flexidomy.cz
Dřevostavby
Bungalovy
Patrové domy
Pozemky
Výroba nábytku
Příhradové vazníky
Reference
DOKONČENÉ STAVBY
ROZESTAVĚNÉ STAVBY
PŘIPRAVUJEME
Standardy
Vybavení domu
Skladby konstrukcí domu
Průběh výstavby
Poradna
Kontakty
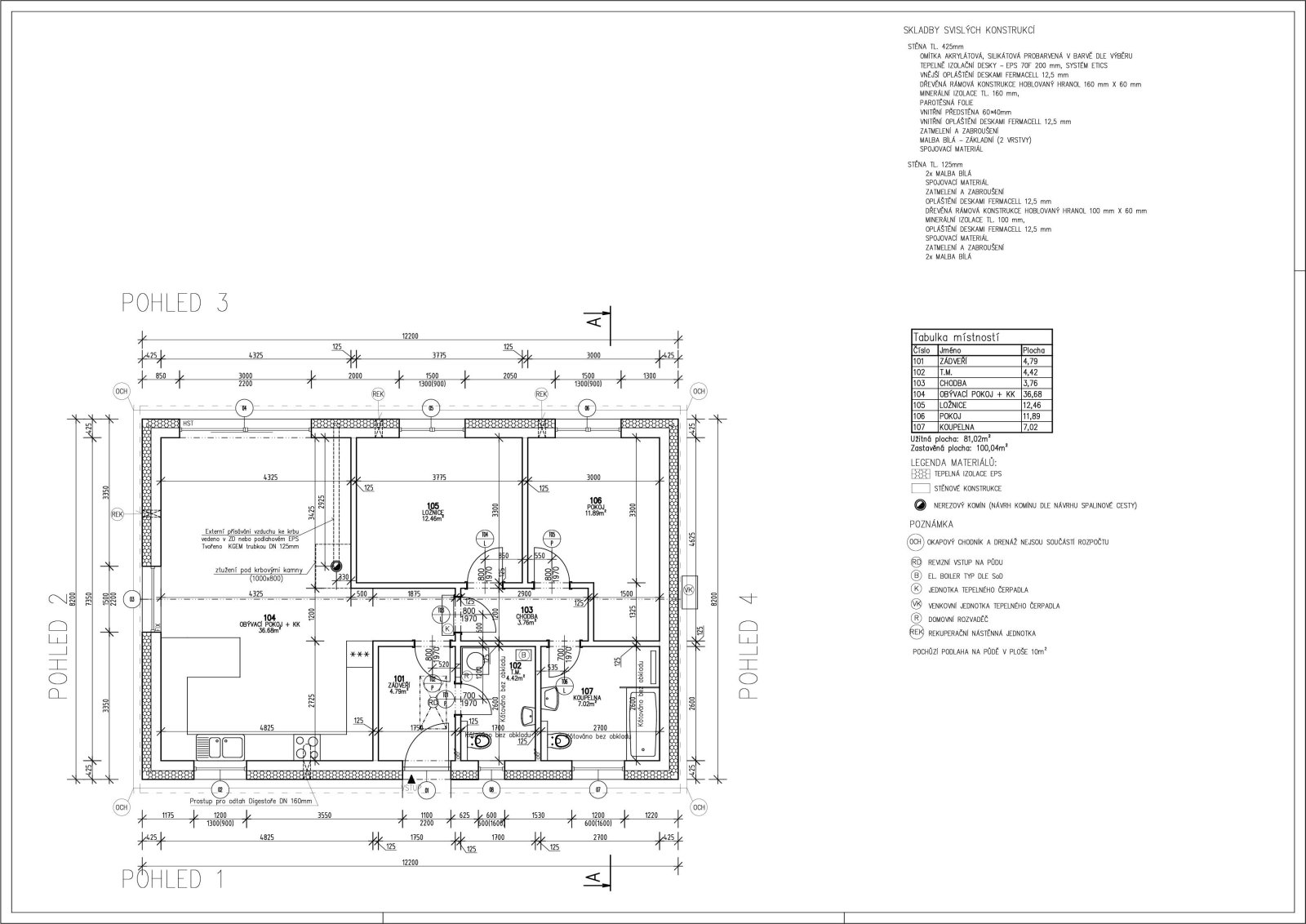
RD Krumsín
Projektové informace
Dispozice:
4+kk
Zastavěná plocha:
100,04 m
2
Celková užitná plocha:
81,02 m
2
TO TOP