+420 777 424 229
info@flexidomy.cz
Dřevostavby
Bungalovy
Patrové domy
Pozemky
Výroba nábytku
Příhradové vazníky
Reference
DOKONČENÉ STAVBY
ROZESTAVĚNÉ STAVBY
PŘIPRAVUJEME
Standardy
Vybavení domu
Skladby konstrukcí domu
Průběh výstavby
Poradna
Kontakty
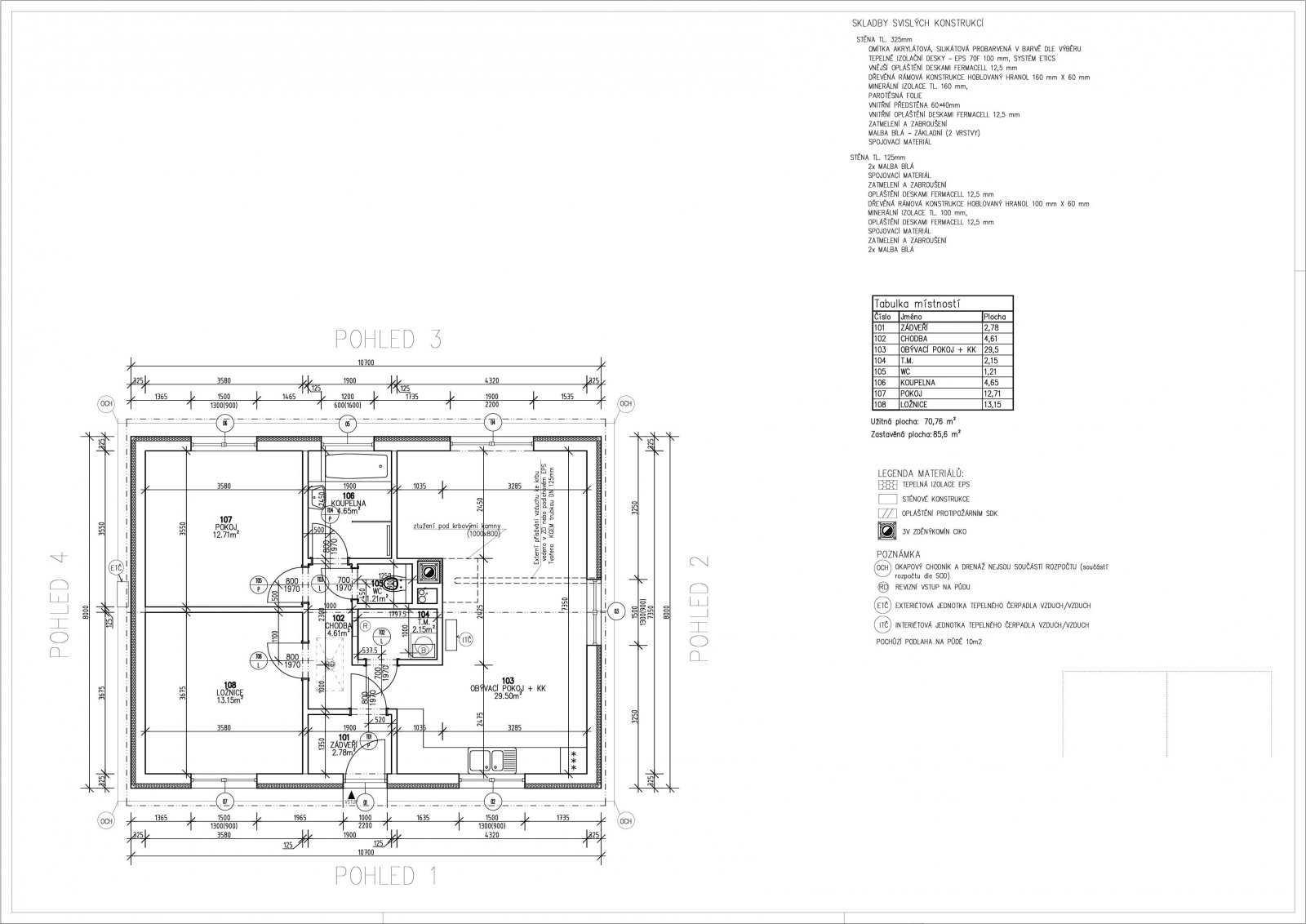
RD Mohelnice 10
Projektové informace
Dispozice:
3+kk
Zastavěná plocha:
85,6 m
2
Celková užitná plocha:
70,76 m
2
TO TOP